1급 전파공학전자회로빈출 보통
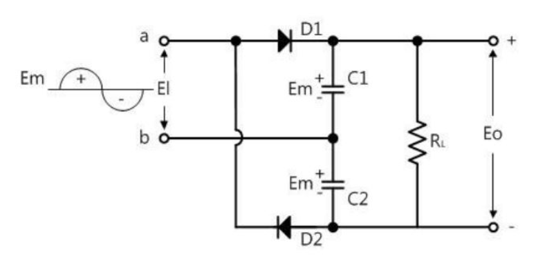
아래 그림과 같은 정류회로에서 입력전압 Em이고 한 주기가 지났을 때, 부하 RL에 걸리는 출력전압 E0는?

1
2Em
2
Em
3
3Em
4
4Em
상세 해설
정답 해설
배전압 정류회로(Voltage Doubler)는 다이오드 2개와 콘덴서 2개로 구성되어 입력 피크 전압의 2배 출력을 만듭니다. 동작 원리: 양의 반주기에 D1이 도통하여 C1이 까지 충전되고, 음의 반주기에 D2가 도통하여 C2가 까지 충전됩니다. 한 주기가 지나면 C1과 C2가 직렬로 연결된 효과가 되어 부하 에 걸리는 전압은 이 됩니다. 이를 n단으로 확장하면 n배압 정류회로가 됩니다. 변압기 없이 고전압을 얻을 수 있는 장점이 있지만, 전류 용량이 작은 단점이 있습니다.
학습 팁
배전압 정류 = . n배압 정류 = . 다이오드와 콘덴서의 개수로 몇 배압인지 파악하세요. 시험에서는 그림을 보고 배전압(2배) 회로임을 판별하는 것이 핵심!
오답별 해설
2. Em
은 단순 반파정류나 전파정류의 피크 출력에 해당합니다. 배전압 회로는 콘덴서 충전을 이용하여 2배의 전압을 얻는 것이 핵심입니다.
3. 3Em
은 3배압 정류회로(다이오드 3개 + 콘덴서 3개)의 출력입니다. 본 문제의 회로는 다이오드 2개이므로 2배압입니다.
4. 4Em
은 4배압 정류회로(다이오드 4개 + 콘덴서 4개)의 출력입니다. n배압 = n개의 다이오드-콘덴서 쌍이 필요합니다.

